Kit Rollenbahn 1 m mit Schutzvorrichtung
Tunnel 50 Twin GT
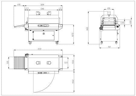
Zweikammer-Schrumpftunnel - Steuerung SPS - Tunneleinlauf 450x215 mm
Tunnel 50 Twin GT: Die perfekte Ergänzung für Ihre automatische Verpackungsmaschine
Tunnel 50 Twin GT ist als perfekte Ergänzung zu den Verpackungsmaschinen der Linie Pratika entwickelt worden. Dank den elektrischen und elektronischen Bauteilen von Schneider Electric ist es endlich möglich, das Schrumpfen in all seinen Aspekten zu kontrollieren und zu steuern. Durch Anschluss des Tunnels an eine automatische Verpackungsmaschine der Linie Pratika haben Sie alle Parameter direkt am Touchscreen der Maschine unter Kontrolle.
Die doppelte Heizkammer mit separater Regelung, die Steuerung von Lüftergeschwindigkeit und Temperatur, die außergewöhnliche Thermoisolierung sowie die hohe Durchlauf- und Schrumpfgeschwindigkeit machen diesen Tunnel zur idealen Maschine, um in allen Situationen extrem leistungsfähig verpacken zu können. Das neue Förderband aus Kunststoff ist ideal für hohe Temperaturen, es gewährleistet eine erhöhte Stabilität für die Produkte und einen geringeren Verschleiß.
technische Eigenschaften
| Stromversorgung | 400V 50/60Hz 3Ph |
| MAX installierte Leistung | 14,5 kW |
| Maximaler Strom | 21 A |
| MAX Abmessungen des Produkts | 400x135 mm (mit Glas) 400x200 mm (mit Vorhang) |
| Abmessungen der Maschine | 2172x912x1463 mm |
| Abmessungen Verpackung der Maschine | 1930x980x1745 mm |
| Gewicht der Maschine (netto/brutto) | 294/352 kg |
| Abmessungen Tunneleinlauf | 450x215 mm |
minipack®-torre haftet nicht für Schreib- oder Druckfehler dieses Katalogs. Fernerhin behält sich minipack®-torre vor, die beschriebenen Eigenschaften ohne Vorankündigung zu ändern. Sämtliche Marken sind Eigentum der diesbezüglichen Besitzer und sind durch die vorliegende Schrift anerkannt.
Registrieren Sie sie jetzt auf unserer Website...
Wollen Sie Ihre Produkte mit dieser Maschine verpacken? Bestellen Sie den kostenlosen und unverbindlichen Verpackungstest.BAUSATZ Spartransformator 19 kVA 415/460V 3Ph SEC. 230V 1Ph/400V 3Ph
Bausatz Höheneinstellung
Bausatz Schutzvorrichtungen am Einlauf aus Plexiglas
Ausbaubausatz H. 150 mm
Bausatz Module zur Überführung instabiler Produkte von „Pratika 56“ zu „Tunnel 50 Twin GT“
Bausatz Produktführung
